ЖОС-6
ЖОС-6
Арт.: 
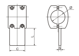
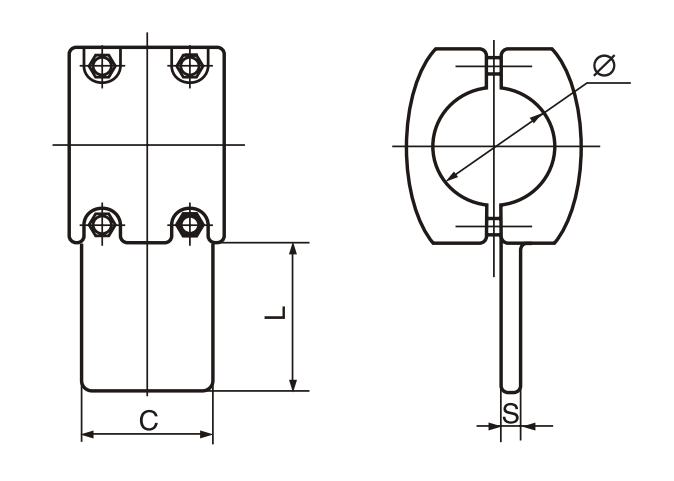
Зажим ответвительный для присоединения к круглой шине жесткой ошиновки
Характеристики
 / шт
Экономия 0%
Укажите количество
+
Сумма:
Узнать о поступлении
Запрос коммерческого предложения
Для получения коммерческого предложения, уточнения сроков изготовления и условий поставки вы можете направить запрос специалистам АО «АИЗ»
Наши преимущества
Проектируем и производим продукцию по тех. заданию клиента
Выполняем заказы в сжатые сроки при согласованных условиях
Фиксируем цены и обеспечиваем приоритетное выполнение заказов
Работаем с отсрочкой оплаты на договорных условиях
Обозначение продукции
2026-02-28_03-43-03.png
Зажим ответвительный предназначен для осуществления присоединения к шине жесткой ошиновки, выполненной в виде алюминиевой трубы. Лапка зажима ориентирована параллельно оси алюминиевой шины. Необходимые отверстия для монтажа аппаратных зажимов можно можно проколоть специальным инструментом в условиях подстанции или заказать на АИЗе при поставке. Возможна поставка зажима ЖОС-6 с лапкой, покрытой медью.
Марка арматурыДиаметр алюминиевой шины, ммРазмеры, ммВес, кг
SLCØ
ЖОС-6-5050/44148580502,0
ЖОС-6-7070/64168580702,4
ЖОС-6-8080/72168580804,0
ЖОС-6-9090/8018105100904,2
ЖОС-6-100100/90181051001004,4
ЖОС-6-110110/100181051001105,0
ЖОС-6-120120/110181051001205,2
ЖОС-6-130130/116201301251307,2
ЖОС-6-150150/136201301251508,2
ЖОС-6-170170/1562216015017011,5
ЖОС-6-200200/1802217016020015,0
ЖОС-6-250250/2302418017025019,5
Примечание
Информация на сайте носит исключительно информационно-рекламный характер и не является публичной офертой.

О нашем заводе
АО «АИЗ» — российский завод-производитель высоковольтных полимерных изоляторов и линейной арматуры с 1999 года. Предприятие располагает собственным конструкторским бюро и полным циклом разработки и производства продукции для объектов электросетевого комплекса.

В числе постоянных заказчиков предприятия топливно-энергетического комплекса, проектные и научные организации, поставщики оборудования, в том числе филиалы ОАО «ФСК ЕЭС», ООО «НПЦ «Энерком-Сервис», ОАО «Кузбассэнерго», ОАО «ТГК-5», ОАО «ТГК13», ЗАО «ЗЭТО», ЗАО ГК «Электрощит-Самара», ООО «Волгоградсетьстрой», ОАО «МРСК Севера-Заnада»,
ОАО «ОГК-2», ЗАО «ЧЭМЗ» и многие другие.
Консультация инженера AO "АИЗ"
Задайте вопрос

Инженеры АО «АИЗ» помогут подобрать изоляторы и комплектующие под конкретные условия эксплуатации и требования проекта.
Проконсультируем по замене изделий, подбору аналогов, нагрузкам, климатическому исполнению и нормативным требованиям.

Консультация проводится на основании технического задания или параметров объекта и не обязывает к заказу
Позвоните нам!
Личный кабинет
Вам будет доступна история заказов, управление рассылками, свои цены и скидки для постоянных клиентов и прочее.
Ваш логин
Ваш пароль
МО, Лыткарино, ул. Парковая 1
По любым вопросам
Московская область, Лыткарино, ул. Парковая 1
Посмотреть на карте