Трансформаторные вводы – ППВ
Стремясь идти в ногу со временем и следуя новым требованиям заказчиков, в дополнение к серийно производимым линейным, наше предприятие разработало и ввело в эксплуатацию конструктивно новый тип изолятора – трансформаторный ввод, применяемый для комплектации трансформаторов подвижного состава железнодорожного транспорта и ВВ маслонаполненных трансформаторов и выключателей. Данный тип изоляторов приходит на смену устаревшим фарфоровым и получил название ППВм-35/Х_ ("Х" обозначает пропускную способность по току и может иметь широкий диапазон значений, литера м - маслонаполненный).
Под маркой ППВ стоит целая серия изоляторов для сухих и масляных трансформаторов рассчитанных на различные условия эксплуатации, значения токов и напряжений.
Характерной особенностью данного вида изоляторов (ППВм) является то, что они являются маслонаполненными. В качестве диэлектрика в изоляторах используется масло
трансформаторное специальное, а также определенные виды стеклопластиков, которые имеют устойчивость к длительному воздействию вибрации и промышленного масла. Нашим отделом технического контроля (ОТК) были проведены испытания на 16 марок масел, используемых в подвижных составах в различных климатических условиях.
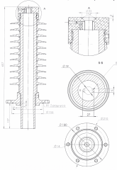
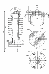
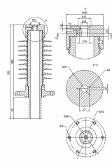
В своем конструктиве изолятор имеет стравливающий клапан, который позволяет выпускать остатки воздуха из изоляционного тела и полностью наполнить изделие трансформаторным маслом. Корпус изолятора ППВм и резервуар, на котором он установлен, составляют единый объем для диэлектрического масла. Изолятор крепится к резервуару с помощью фланца с герметизирующей прокладкой, которая изготовлена из МБС резины. Внутри изолятора также имеются специальные уплотнительные герметизирующие кольца, которые аналогично отлиты из МБС резины.
Каждый изолятор проходит выходные испытания, в том числе и опрессовку (испытание повышенным давлением). Перед вводом изделий в серию также проводились длительные
климатические и вибрационные испытания, согласно предоставленным требованиям заказчиков. Поставка изоляторов возможна как в полностью собранном виде, так и без токопровода, если это потребуется. В некоторых случаях токопровод (шпилька) может являться расходным элементом, в связи с этим возможно предоставление дополнительной комплектации. Далее, производство имеет техническую возможность производить изоляторы ППВ в различных цветах, если в этом возникнет потребность у заказчика. Также имеется возможность изменять строительную высоту и, соответственно, длину пути утечки.
























