ЖОС-17
ЖОС-17
Арт.: 
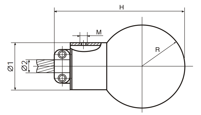
Концевая заглушка-шар круглой шины с демпфирующим проводником
Характеристики
 / шт
Экономия 0%
Укажите количество
+
Сумма:
Узнать о поступлении
Запрос коммерческого предложения
Для получения коммерческого предложения, уточнения сроков изготовления и условий поставки вы можете направить запрос специалистам АО «АИЗ»
Наши преимущества
Проектируем и производим продукцию по тех. заданию клиента
Выполняем заказы в сжатые сроки при согласованных условиях
Фиксируем цены и обеспечиваем приоритетное выполнение заказов
Работаем с отсрочкой оплаты на договорных условиях
Обозначение продукции
2026-02-28_03-43-03.png
Концевая заглушка-шар предназначена для монтажа на торец алюминиевой трубы шины жесткой ошиновки. Заглушка имеет зажим для крепления демпфирующего провода. Применяется при высоком напряжении на шине. Шар позволяет равномерно распределять электрическое поле.
Марка арматурыДиаметр алюминиевой шины, ммРазмеры, ммПроводВес, кг
Ø1МRНØ2
ЖОС-17-7070/6464М87016522АС-2401,5
ЖОС-17-8080/7272М87016522АС-2401,5
ЖОС-17-9090/8080М88616525АС-3001,7
ЖОС-17-100100/9090М89019525АС-3002,2
ЖОС-17-110110/100100М109021531АС-5003,2
ЖОС-17-120120/110110М109022031АС-5003,8
ЖОС-17-130130/116116М109022031АС-5004,5
ЖОС-17-150150/136136М1015034035АС-6005,5
ЖОС-17-170170/156156М1017038035АС-60010,8
ЖОС-17-200200/180180М1218041535АС-60025
ЖОС-17-250250/230229М1223051535АС-60036
Примечание
Информация на сайте носит исключительно информационно-рекламный характер и не является публичной офертой.

О нашем заводе
АО «АИЗ» — российский завод-производитель высоковольтных полимерных изоляторов и линейной арматуры с 1999 года. Предприятие располагает собственным конструкторским бюро и полным циклом разработки и производства продукции для объектов электросетевого комплекса.

В числе постоянных заказчиков предприятия топливно-энергетического комплекса, проектные и научные организации, поставщики оборудования, в том числе филиалы ОАО «ФСК ЕЭС», ООО «НПЦ «Энерком-Сервис», ОАО «Кузбассэнерго», ОАО «ТГК-5», ОАО «ТГК13», ЗАО «ЗЭТО», ЗАО ГК «Электрощит-Самара», ООО «Волгоградсетьстрой», ОАО «МРСК Севера-Заnада»,
ОАО «ОГК-2», ЗАО «ЧЭМЗ» и многие другие.
Консультация инженера AO "АИЗ"
Задайте вопрос

Инженеры АО «АИЗ» помогут подобрать изоляторы и комплектующие под конкретные условия эксплуатации и требования проекта.
Проконсультируем по замене изделий, подбору аналогов, нагрузкам, климатическому исполнению и нормативным требованиям.

Консультация проводится на основании технического задания или параметров объекта и не обязывает к заказу
Позвоните нам!
Личный кабинет
Вам будет доступна история заказов, управление рассылками, свои цены и скидки для постоянных клиентов и прочее.
Ваш логин
Ваш пароль
МО, Лыткарино, ул. Парковая 1
По любым вопросам
Московская область, Лыткарино, ул. Парковая 1
Посмотреть на карте