
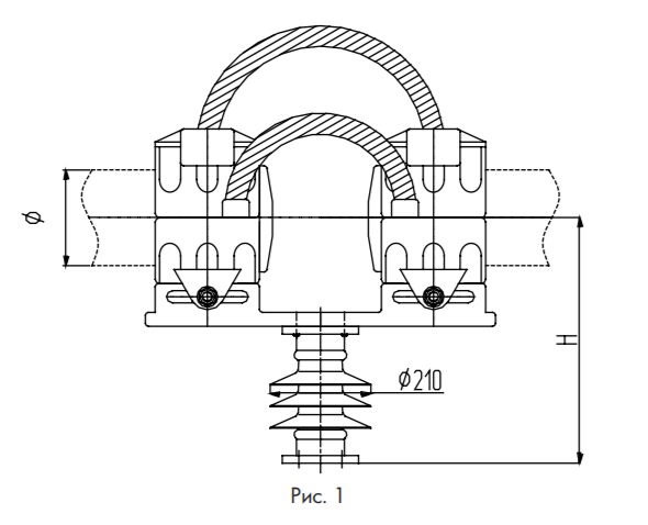
Шинные опоры наружной установки типа ШОП-И предназначены для осуществления гибкой связи и поддержания алюминиевой трубы жесткой ошиновки напряжением 10, 20, 35, 110, 150, 220, 330 кВ в открытых распределительных устройствах (ОРУ) электрических станций и подстанций. Шинные опоры ШОП-И входят в состав комплексного типового проекта жесткой ошиновки подстанций.
| Марка полимерной шинной опоры для жесткой ошиновки | Диаметр трубы жесткой ошиновки | Диаметр, D | Строительная высота, H, мм | Рисунок | Размеры нижнего установочного фланца | Вес, кг, не более |
|---|---|---|---|---|---|---|
| ШОП-10-И50-4 УХЛ1 | 50/45 | 50 | 370 | 1 | Ø127×4 отв. Ø13 | 12,5 |
| ШОП-10-И60-4 УХЛ1 | 60/54 | 60 | 380 | 1 | Ø127×4 отв. Ø13 | 13,0 |
| ШОП-10-И70-4 УХЛ1 | 70/64 | 70 | 405 | 1 | Ø127×4 отв. Ø13 | 13,5 |
| ШОП-10-И80-4 УХЛ1 | 80/72 | 80 | 410 | 1 | Ø127×4 отв. Ø13 | 14,0 |
| ШОП-10-И90-4 УХЛ1 | 90/80 | 90 | 410 | 1 | Ø127×4 отв. Ø13 | 14,4 |
| ШОП-10-И100-4 УХЛ1 | 100/90 | 100 | 415 | 1 | Ø127×4 отв. Ø13 | 15,0 |
| ШОП-10-И110-4 УХЛ1 | 110/100 | 110 | 425 | 1 | Ø127×4 отв. Ø13 | 15,5 |
| ШОП-10-И120-4 УХЛ1 | 120/110 | 120 | 425 | 1 | Ø127×4 отв. Ø13 | 15,5 |
| ШОП-10-И130-4 УХЛ1 | 130/116 | 130 | 435 | 1 | Ø127×4 отв. Ø13 | 16,0 |
| ШОП-10-И140-4 УХЛ1 | 140/120 | 140 | 440 | 1 | Ø127×4 отв. Ø13 | 16,5 |
| ШОП-10-И150-4 УХЛ1 | 150/136 | 150 | 440 | 1 | Ø127×4 отв. Ø13 | 16,7 |
| ШОП-10-И170-4 УХЛ1 | 170/156 | 170 | 460 | 1 | Ø127×4 отв. Ø13 | 18,5 |
| ШОП-10-И200-4 УХЛ1 | 200/180 | 200 | 470 | 1 | Ø127×4 отв. Ø13 | 20,2 |
| ШОП-10-И250-4 УХЛ1 | 250/230 | 250 | 495 | 1 | Ø127×4 отв. Ø13 | 21,9 |



























