
| Марка полимерной шинной опоры для гибкой ошиновки | Количество монтируемых проводов | Диаметр удерживаемого провода, мм | Тип удерживаемого провода (номинальное сечение, мм²) | Рисунок | Строительная высота, H, мм | Установочные размеры нижнего фланца |
|---|---|---|---|---|---|---|
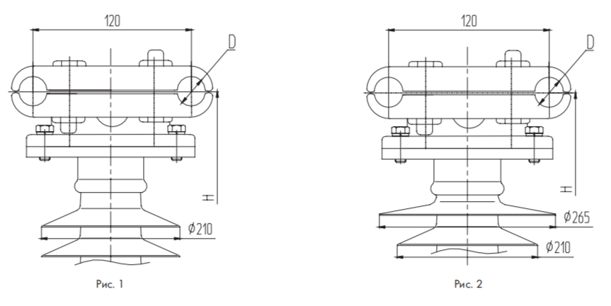
| ШОП-10-2.7-4 УХЛ1 | 2 | Ø21,6–Ø26,6 |
А, АКП (185, 240, 300); АС, АСКС, АСКП, АСК (185/24, 185/29, 205/27, 240/32, 240/39) | 1 | 327 | Ø127x4 отв. Ø13 |
| ШОП-20-2.7-2(4) УХЛ1 | 397 | Ø127x4 отв. Ø13 | ||||
| ШОП-35-2.7-2(4) УХЛ1 | 487 | Ø127x4 отв. Ø13 | ||||
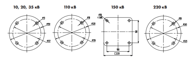
| ШОП-110-2.7-2(4) УХЛ1 | 1147 | Ø178x4 отв. Ø18 | ||||
| ШОП-150-2.7-2(4) УХЛ1 | 1647 | Ø180x4 отв. Ø18 | ||||
| ШОП-220-2.7-2(4) УХЛ1 | 2147 | Ø225x4 отв. Ø18 | ||||
| ШОП-10-2.8-2(4) УХЛ1 | 2 | Ø27,5–Ø30,6 |
А, АКП (350, 400, 450, 500); АС, АСКС, АСКП, АСК (300/39, 300/48, 330/43, 400/51, 400/64, 450/56, 500/27) | 1 | 330 | Ø127x4 отв. Ø13 |
| ШОП-20-2.8-2(4) УХЛ1 | 400 | Ø127x4 отв. Ø13 | ||||
| ШОП-35-2.8-2(4) УХЛ1 | 490 | Ø127x4 отв. Ø13 | ||||
| ШОП-110-2.8-2(4) УХЛ1 | 1150 | Ø178x4 отв. Ø18 | ||||
| ШОП-150-2.8-2(4) УХЛ1 | 1650 | Ø180x4 отв. Ø18 | ||||
| ШОП-220-2.8-2(4) УХЛ1 | 2150 | Ø225x4 отв. Ø18 | ||||
| ШОП-10-2.9-2(4) УХЛ1 | 2 | Ø31,5–Ø37,7 |
А, АКП (550, 600, 650, 700, 750); АС, АСКС, АСКП, АСК (500/26, 500/64, 550/51, 600/72, 650/79, 700/86); ПМ (240, 300) | 1 | 333 | Ø127x4 отв. Ø13 |
| ШОП-20-2.9-2(4) УХЛ1 | 403 | Ø127x4 отв. Ø13 | ||||
| ШОП-35-2.9-2(4) УХЛ1 | 493 | Ø127x4 отв. Ø13 | ||||
| ШОП-110-2.9-2(4) УХЛ1 | 1153 | Ø178x4 отв. Ø18 | ||||
| ШОП-150-2.9-2(4) УХЛ1 | 1653 | Ø180x4 отв. Ø18 | ||||
| ШОП-220-2.9-2(4) УХЛ1 | 2153 | Ø225x4 отв. Ø18 |
Объем приемосдаточных испытаний полимерной шинной опоры ШОП
- Комплектность
- Осмотр (внешний вид и маркировка)
- Масса, длина изоляционной части, присоединительные размеры, соответствие расположения арматуры
- Качество и толщина антикоррозионного покрытия арматуры
- Испытательная сила на изгиб (кручение) в течение 1 мин. Контроль прогиба (угла закручивания) и отсутствие пластической деформации при изгибе (кручении)
- Испытательное переменное кратковременное напряжение в сухом состоянии
- Разрушающая сила на изгиб, (кручение)
- Определение уровня частичных разрядов
- Стойкость к проникновению воды
- Стойкость к проникновению красящей жидкости
- Адгезия оболочки к изоляционному телу
Технические характеристики полимерной шинной опоры ШОП для гибкой ошиновки подстанций
| Параметр | 10 кВ | 20 кВ | 35 кВ | 110 кВ | 150 кВ | 220 кВ | 330 кВ |
|---|---|---|---|---|---|---|---|
| Номинальное напряжение, кВ | 10 | 20 | 35 | 110 | 150 | 220 | 330 |
| Наибольшее рабочее напряжение, кВ | 12 | 24 | 40,5 | 126 | 172 | 252 | 363 |
| Испытательное напряжение полного грозового импульса, не менее, кВ | 75 | 125 | 190 | 450 | 650 | 950 | 1175 |
| 50%-ное разрядное напряжение промышленной частоты в загрязненном и увлажненном состоянии, кВ | 13 | 26 | 42 | 110 | 150 | 220 | 315 |
| Удельная поверхностная проводимость слоя загрязнения, мкСм | 10 | 10 | 10 | 10 | 10 | 10 | 10 |
| Минимальная разрушающая сила на изгиб, кН, не менее | 10 | 8/10 | 6/10 | 10 | 10 | 8 | 8 |
| Минимальный разрушающий крутящий момент, кН·м, не менее | 2 | 2 | 2 | 2 | 2 | 2 | 2 |
| Длина пути утечки, см, не менее (на 2-ую степень загрязнения) | 30 | 62 | 105 | 280 | 390 | 570 | 800 |
| Длина пути утечки, см, не менее (на 4-ую степень загрязнения) | 42 | 84 | 140 | 390 | 535 | 790 | 1120 |
| Допустимое тяжение проводов в горизонтальной плоскости, Н | 1480 | 1480 | 1480 | 1480 | 1480 | 1480 | 1480 |



























